
Students must investigate the emf and internal resistance of one or more cells or batteries. The practical links voltage, current, and load resistance. Students are assessed on accurate circuit construction and measurement. The investigation involves recording terminal voltage and current in a table for different resistances and plotting a graph to determine emf and internal resistance.
Subject: Physics | Level: A Level |
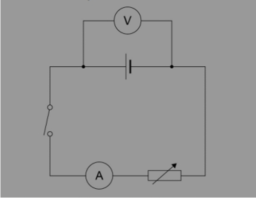
Preparation and setup
set up the cell, switch, ammeter and variable resistor in series with the voltmeter in parallel to the cell.
Conducting the Experiment
With the switch open record the reading, V, on the voltmeter.
Close the switch and take the readings of pd, V, on the voltmeter and current, I, on the ammeter.
Adjust the variable resistor to obtain pairs of readings of V and I, over the widest possible range.
Repeat the experiment
Open the switch after each pair of readings. Only close it for sufficient time to take each pair of readings.
Calculations and Analysis
Plot a graph of V on the y-axis against I.
Using ε = I (R+r) and V = I R
Gives ε = V+I r
Rearranging V = ε–I r
A graph of V against I will have a gradient = - r and an intercept ε on the y-axis.
Ideally the cells and/or batteries used should be fairly new. The emf and internal resistance of older, ‘run down’, cells will vary during the experiment. It is advisable to switch off the circuit between readings to avoid the cells/batteries running down.
Avoid using rechargeable cells or batteries as these have a very low internal resistance, making it difficult to measure and they can deliver high currents or short circuit
Ensure that the power rating of the variable resistor is adequate for the maximum current used.
B8R06534
In stock
£4.65 exc. VAT
£5.58 inc. VAT
£4.65 exc. VAT
£5.58 inc. VAT
B8R01323
In stock
From £2.15 exc. VAT
£2.58 inc. VAT
£13.74 inc. VAT
£3.42 inc. VAT
£2.99 exc. VAT
£3.59 inc. VAT
£16.95 exc. VAT
£20.34 inc. VAT
£16.95 exc. VAT
£20.34 inc. VAT